Cupón DNICHILE de descuento 10% por Inaguración de Tienda
Aplicar el cupon antes de pagar
Solo para Clientes nuevos
|

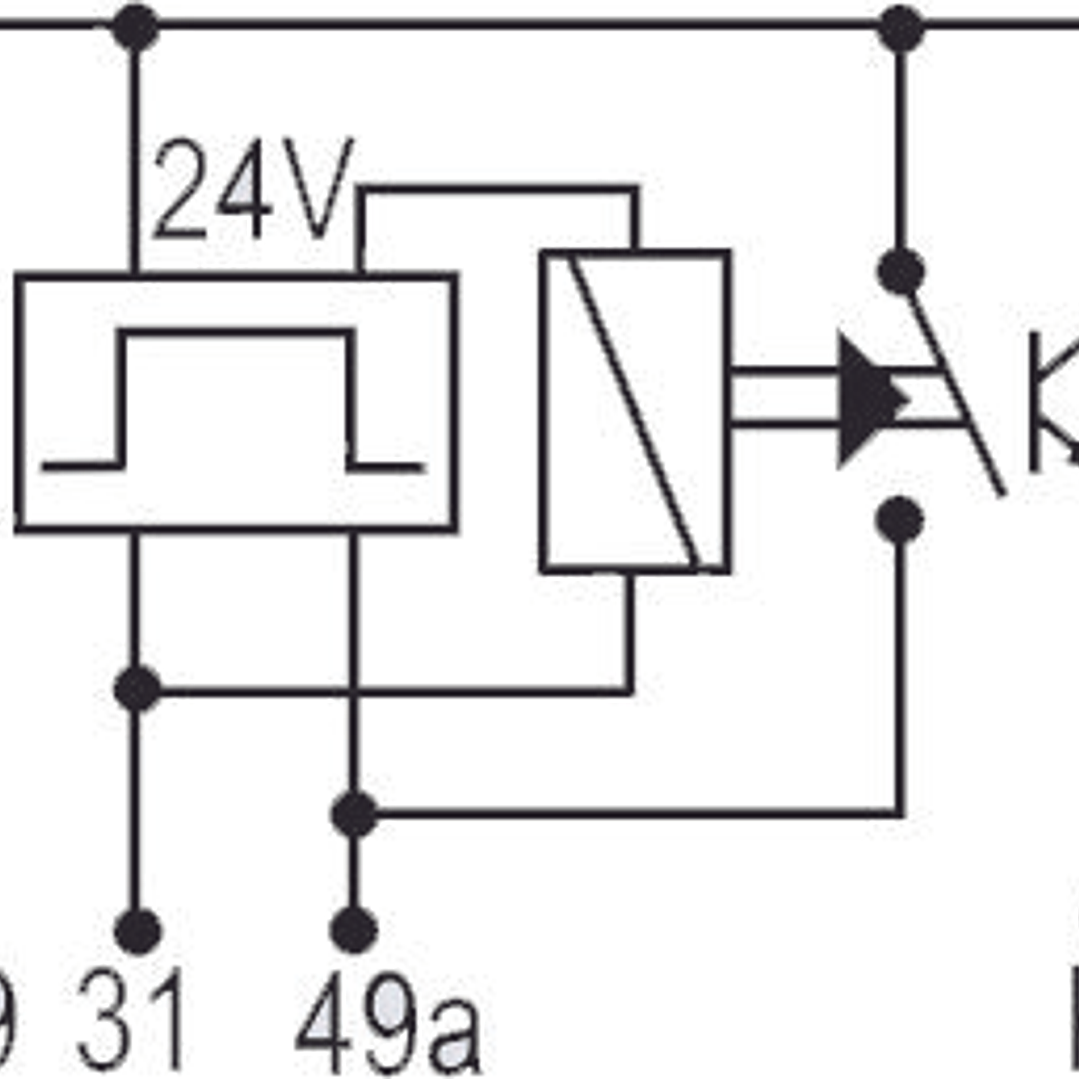
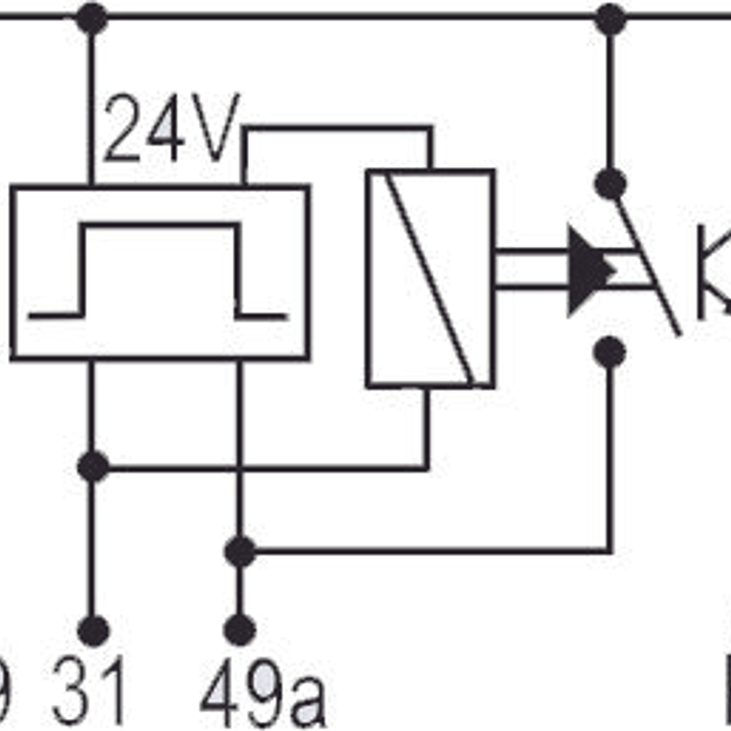
Míni Relé Auxiliar 4 terminales 0841

Descripción

Míni Relé Auxiliar 4 terminales 

Detalles

VOLTAJE:
24V
TERMINALES:
4
APLICACIÓN:
Liebherr: 630110208 Marcopolo: 10543138 / 272001643 Mercedes-Benz: 0025448332/ 0025448432 / 0025449532 / 0025449732 0035440332 / 0035445632 / 3645448032 / 3885447032 / 3885447132 3885447232 / 3885447332 / 3885447432 / 3885447532 / 3885447732 Randon: 1377647 / 1401601-5. Volvo: 11087812
Envío gratis
¡Obtén tus productos despachados completamente GRATIS al comprar sobre $50!
Pagos seguros y protegidos
Paga mediante pasarelas certificadas y encriptadas con tarjeta de crédito y transferencia bancaria.
¿Tienes preguntas?
Contamos con un equipo especializado que te atenderá ante cualquier duda o ayuda que necesites.
Calidad de productos garantizada
Todos nuestros productos han sido testeados y certificados con altos estándares de calidad.
Envíanos un mensaje de WhatsApp