|
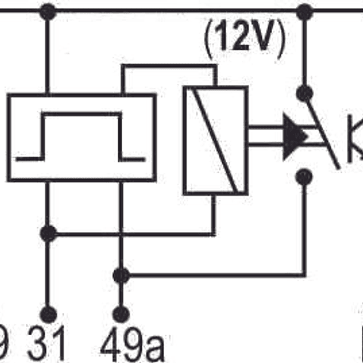
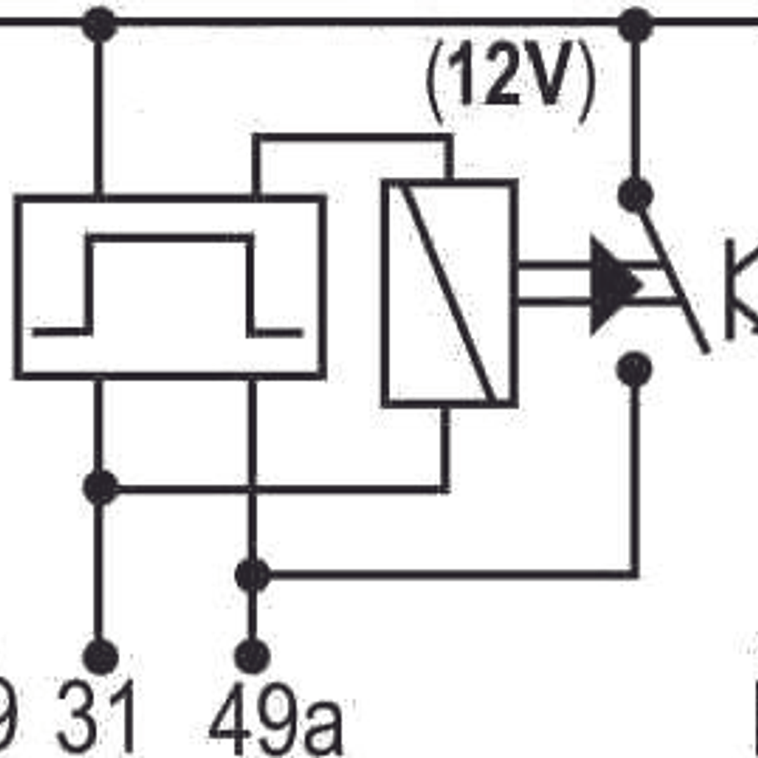
Relé intermitente 12V 120W, 4 terminales para ampolletas halogenas y led 1115
Descripción
Relé intermitente 12V
120 watts
4 terminales
"HIBRIDO": Para ampolletas halogenas y led
Tecnologia SMD
Para remmplazo de Reles de 3 y 4 terminales.
120 watts
4 terminales
"HIBRIDO": Para ampolletas halogenas y led
Tecnologia SMD
Para remmplazo de Reles de 3 y 4 terminales.
Detalles
VOLTAJE:
12v
TERMINALES:
4
POTENCIA:
120w
APLICACIONES:
Agco 05849871
Hella 4DW009492-111
Valtra/Valmet 05849871